emilspec
An Integrated Publishing, Inc. Site
eMilSpec
An Integrated Publishing Website
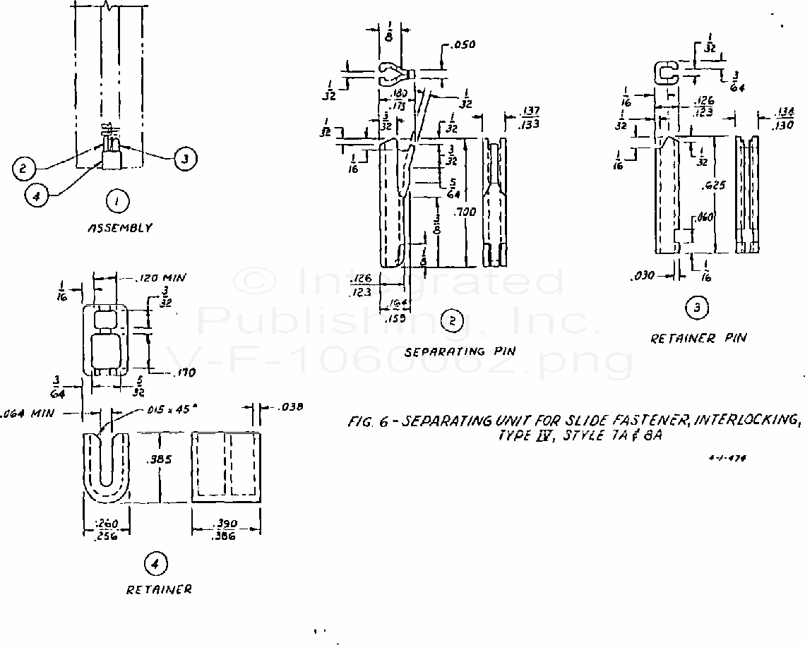
V-F-106 Fastener, Slide, Interlocking (S/S By A-A-55634)
This specification covers interlocking slide fasteners of various types, styles, sizes, lengths, and materials.
For Parts Inquires call
Parts Hangar, Inc
(727) 493-0744
© Copyright 2015 Integrated Publishing, Inc.
A Service Disabled Veteran Owned Small Business