INCH-POUND
DETAIL SPECIFICATION SHEET RING, RETAINING, EXTERNAL GRIP
MS90707C
16 OCTOBER 2012
SUPERSEDING MS90707B
25 August 1989
This specification is approved for use by all Departments and Agencies of the Department of Defense.
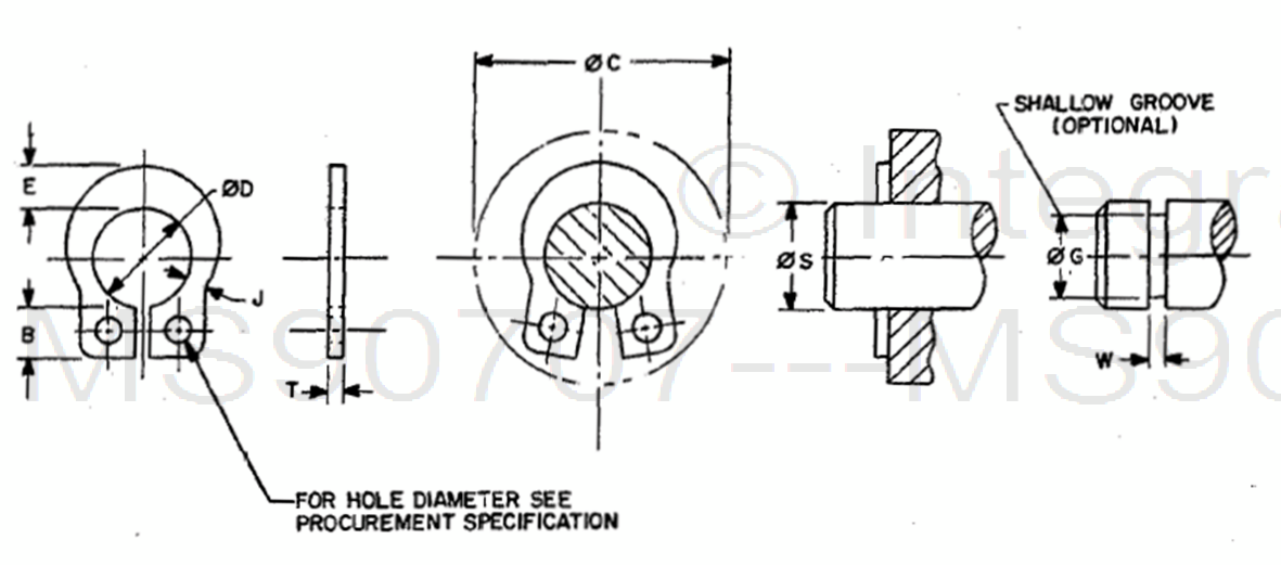
The requirements for acquiring the product described herein shall consist of this specification sheet and procurement specification MIL-R-21248.


FIGURE 1. RING, RETAINING.
AMSC N/A FSC 5325
For Parts Inquires call Parts Hangar, Inc (727) 493-0744
© Copyright 2015 Integrated Publishing, Inc.
A Service Disabled Veteran Owned Small Business